Copyright 2026 - Civil Engineering KBU

โครงงานวิศวกรรมโยธา


































































































 


 


 


 


 


 


 


 


 


 


 


 


 


 


 


 


 


 


 


 


 


 


 


 


 


 


 


 


 


 


 


 


 


 


 


 


 


 


 


 


 

 

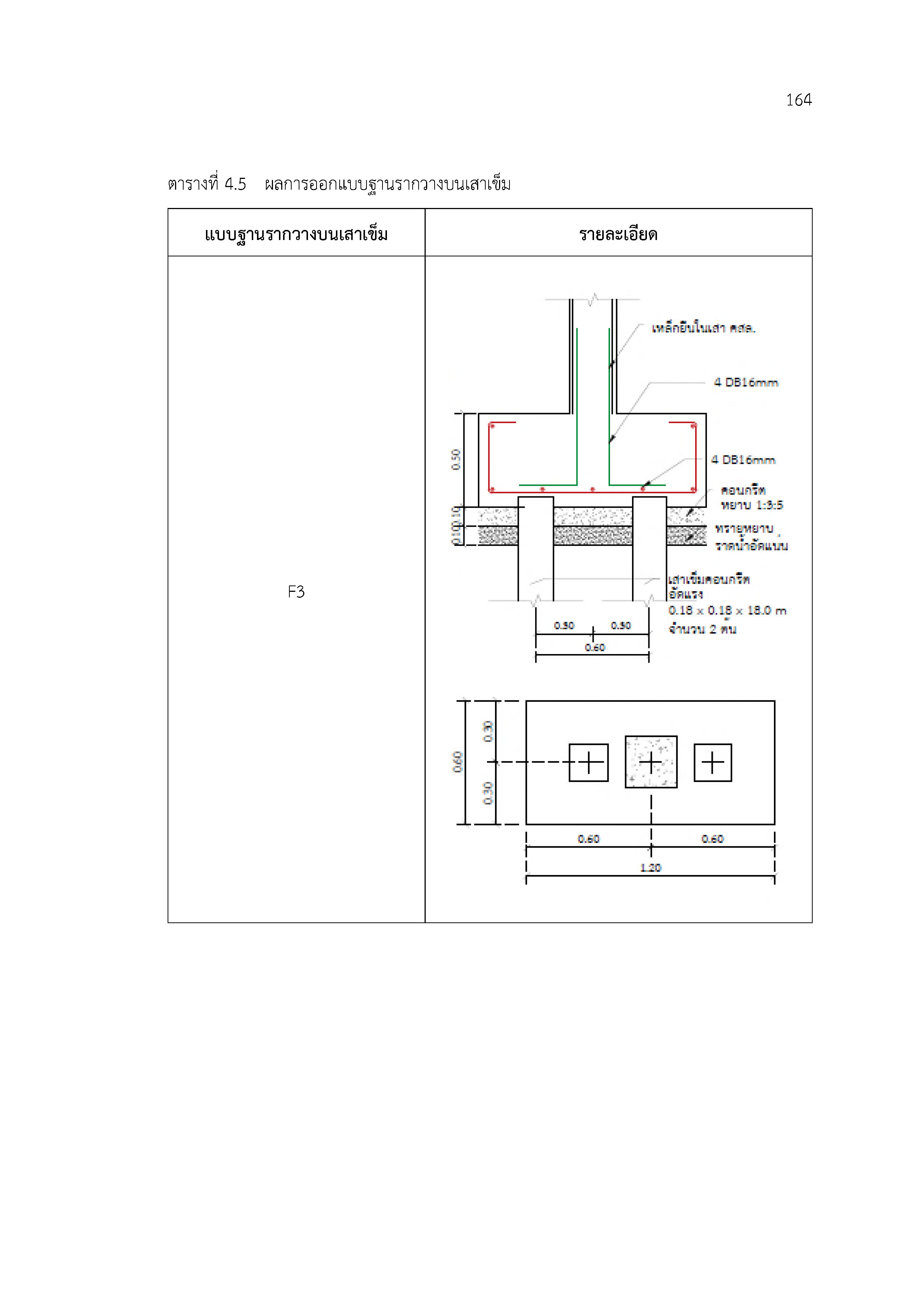
f t g m